Este módulo de potência adota encapsulamento padrão e design com substrato de cobre, especificamente projetado para conversores de frequência, sistemas de alimentação ininterrupta (UPS), acionamentos de motores e máquinas de solda. Apresenta tensão de ruptura de 650 V, alta capacidade de curto-circuito e temperatura de junção de até 150 °C. É adequado para produção em massa e compatível com os principais circuitos industriais, atendendo facilmente aos requisitos de aplicações industriais comuns.
Principais destaques do produto
Alta tensão e alta corrente, capacidade de carga estável
Baixas perdas e alta eficiência
Excelente dissipação de calor e longa vida útil.
Cenário de aplicação: Conversor de frequência
1. Conversor de frequência
2. Fonte de alimentação ininterrupta
3. Acionamento do motor
4. Máquina de solda elétrica
Perguntas frequentes
P1: Quantos dispositivos de energia este módulo suporta?
A: Especificação 650V/200A, adequada para inversores/acionadores de potência de médio a grande porte na faixa de vários milhares de kW.
Q2: Qual é a faixa de temperatura de operação?
A: A faixa de temperatura de junção de trabalho é de -40℃ a 150℃, garantindo uma operação confiável em ambientes industriais de alta e baixa temperatura.
P3: Quais são os recursos de proteção e segurança?
A: Tensão suportável de isolamento de 2,5 kV, distância de fuga de 10 mm, alta capacidade de curto-circuito, confiabilidade em ampla faixa de temperatura, atendendo aos padrões de segurança industrial.
Parâmetros de especificação:
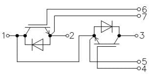
IGBT, inversor
Valores máximos nominais
Parâmetro | Símbolo | Condições | Valores | Unidade |
Coletor-eluva vtensão | VCES | Tvj = 25℃ | 650 | V |
CC contínua ccoletor catual | IC nom | TC = 70℃, Tvj máximo =150℃ | 200 | A |
Repetitivo peak ccoletor catual | ICRM | tP=1 ms | 400 | A |
Total ppoder ddissipação | Ptotal | TC = 25℃, Tvj máximo = 150℃ | 698 | W |
Portão-eluva peak vtensão | VGES | - | ±20 | V |
Valores característicos
Parâmetro | Símbolo | Condições | Valores | Unidade | |||
Mín. | Tipo. | Máx. | |||||
tensão de saturação coletor-emissor | VCE(sat) | VGE =15V, IC = 200A | Tvj= 25℃ Tvj= 125℃ Tvj= 150℃ | - - - | 1,70 2,00 2.10 | 1.9 - - | V |
tensão de limiar de porta | VGE(th) | IC =3,2 mA, VCE = VGE, Tvj = 25℃ | 5.0 | 5,832 | 6,8 | V | |
resistor de porta interna | RGiz | Tvj = 25℃ | - | 2 | - | Ω | |
Corrente de corte coletor-emissor | ICES | VCE= 650 V, VGE = 0V Tvj = 25℃ | - | - | 0,1 | mA | |
corrente de fuga entre porta e emissor | IGES | VCE = 0 V, VGE = 20 V, Tvj = 25℃ | - | - | 500 | nA | |
Capacitância de entrada | Cies | VCE = 25 V, VGE = 0V, f = 1 MHz,Tvj = 25℃ | - | 15000 | - | pF | |
Capacitância de transferência reversa | Cres | - | 280 | - | pF | ||
Tempo de atraso na ativação | tvestir) | VCE = 300 V, IC = 200A, VGE = ±15 V, RG =4,7 Ω
| Tvj = 25℃ Tvj = 125℃ Tvj = 150℃ | - - - | 0,106 0,116 0,118 | - - - | μs |
Tempo de subida, carga indutiva | tr | Tvj= 25℃ Tvj= 125℃ Tvj= 150℃ | - - - | 0,103 0,109 0,11 | - - - | ||
Tempo de retardo de desligamento, carga indutiva | td(off) | Tvj= 25℃ Tvj= 125℃ Tvj= 150℃ | - - - | 0,165 0,177 0,179 | - - - | ||
Tempo de queda, carga indutiva | tf | Tvj= 25℃ Tvj= 125℃ Tvj= 150℃ | - - - | 0,084 0,096 0,1 | - - - | ||
Perda de energia por pulso ao ativar | Eon | Tvj= 25℃ Tvj= 125℃ Tvj= 150℃ | - - - | 1,591 3,045 3,442 | - - - | mJ | |
Desativar a perda de energia por pulso | Edesligado | Tvj= 25℃ Tvj= 125℃ Tvj= 150℃ | - - - | 4,458 5,176 5,37 | - - - | ||
Dados SC | Isc | VGE = 15 V,VCC = 300 V tP = 10 µs, Tvj = 150℃ | - | 960 | - | A | |
Resistência térmica, junção-carcaça | RthJC | por IGBT | - | - | 0,179 | K/W | |
Temperatura em condições de comutação | Tvj op |
| -40
| - | 150 | ℃ | |
Diodo, inversor
Valores máximos de classificação
Parâmetro | Símbolo | Condições | Valores | Unidade |
Tensão reversa de pico repetitiva | VRRM | Tvj=25°C | 650 | V |
Corrente direta CC contínua | IF |
| 200 | A |
Corrente direta de pico repetitiva | IFRM | tp=1ms | 400 | A |
Valores característicos
Parâmetro | Símbolo | Condições | Valores | Unidade | ||||
Mín. | Tipo. | Máx. | ||||||
Tensão direta | VF | VGE = 0 V, IF = 200 A | Tvj = 25℃ Tvj = 125℃ Tvj = 150℃ | - - - | 1,661 1,682 1,651 | 2,25 - - | V | |
Corrente de recuperação reversa de pico | IRM | VR=300V, IF =200A, dIF/dt=5400A/µs | Tvj= 25℃ Tvj= 125℃ Tvj= 150℃ | - - - | 76 85 89 | - - - | A | |
Taxa de recuperação | Qr | Tvj= 25℃ Tvj= 125℃ Tvj= 150℃ | - - - | 5.251 6.226 6,455 | - - - | µC | ||
Energia de recuperação reversa por pulso | Erecomendação | IF =200A, VR = 300V, VGE = -15V | Tvj= 25℃ Tvj= 125℃ Tvj= 150℃ | - - - | 1,298 2,049 2,382 | - - - | mJ | |
Resistência térmica, junção-carcaça | RthJC | por diodo | - | - | 0,303 | K/W | ||
Condições de comutação de temperatura | Tvj op |
| -40 | - | 150 | ℃ | ||
Módulo
Parâmetro | Símbolo | Condições | Valores | Unidade |
tensão de teste de isolamento | VISOL |
| 2.5 | kV |
Material da placa de base do módulo |
|
| Cu |
|
Material de isolamento interno |
|
| Al2O3 |
|
Distância de rastejamento |
| Terminal para dissipador de calor | 10.0 | mm |
Módulo de indutância parasita | Ls |
| 35 | nH |
Temperatura de armazenamento | Tstg |
| −40∼125 | ∘C |
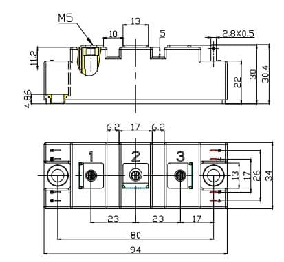
Torque de montagem para montagem do módulo | M | Parafuso M6 - Montagem de acordo com a nota de aplicação válida | 3,0 ~ 6,0 | N·m |
Torque de conexão do terminal | M | Parafuso M5 - Montagem de acordo com a nota de aplicação válida | 3,0 ~ 6,0 | N·m |
Peso | G |
| 163 | g |
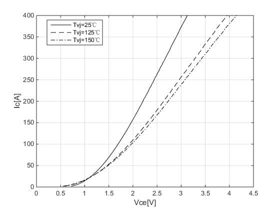
Característica de saída IGBT, Inversor (típico)
IC = f (VCE)
VGE = 15 V

Característica de saída IGBT, Inversor (típico)
IC = f (VCE)
Tvj = 150℃

Característica de transferência IGBT, Inversor (típico)
IC = f (VGE)
VCE = 20 V

Perdas de comutação IGBT, inversor (típico)
Eon = f (IC), Edesligado = f (IC),
VGE = ±15 V, Ron = 4,7 Ω, Rdesligado = 4,7 Ω, VCE = 300 V

Impedância térmica transiente IGBT, inversor (típico)
ZthJC = f (t)

Característica direta do diodo, inversor (típico)
IF = f (VF)

Diodo de impedância térmica transiente, inversor (típico)
ZthJC = f (t)

Perdas de comutação do diodo, inversor (típico)
Erecomendação = f (IF), RGon = 4,7 Ω, VCE = 300 V



Nome: mm
Deixe um recado
Escaneie para o WeChat :
Escaneie para o WhatsApp :