Nossa solução de controle de modo duplo unifica o acionamento de motores de alto desempenho e a geração inteligente de energia em uma única plataforma robusta, projetada especificamente para scooters elétricas e motocicletas híbridas de 60 a 80 km/h. Este sistema versátil oferece flexibilidade de design sem precedentes e gerenciamento de energia avançado para atender às demandas em constante evolução das montadoras globais.
Número do projeto :
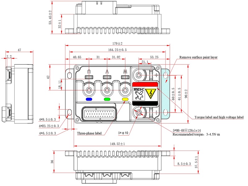
Motor Controller(G150S)Pedido (MOQ) :
30Pagamento :
Prepayment requiredOrigem do produto :
Xiamen City,Fujian Province ,ChinaPeso :
Motor:19.6Kg , Motor controller:4.2kgTotalmente certificado paraISO 45001,ISO 26262, IATF 16949, FQCe CISPR 25padrões
| Não. | Item | Descrição/Especificação | Não. | Item | Descrição/Especificação | Observações |
|---|---|---|---|---|---|---|
| Controlador do gerador | Controlador de motor | - | ||||
| 1 | Tipo de produto | Controlador do gerador | 1 | Tipo de produto | Controlador de motor | / |
| 2 | Tipo de sensor compatível | Sensores de efeito Hall | 2 | Tipo de sensor compatível | Sensores de efeito Hall e codificadores magnéticos | Suporta encoders com alimentação de 5V. |
| 3 | Faixa de tensão operacional | 35–85 Vdc | 3 | Faixa de tensão operacional | 35–85 Vdc | / |
| 4 | Tensão nominal | 48 / 60 / 72 Vdc | 4 | Tensão nominal | 48 / 60 / 72 Vdc | / |
| 5 | Corrente de fase nominal/de pico | 60 A / 260 A | 5 | Corrente de fase nominal/de pico | 110 A / 260 A | / |
| 6 | Corrente do barramento CC | 80 A | 6 | Corrente do barramento CC | 100 A | / |
| 7 | Interface de comunicação | One-Wire / CAN 2.0 | 7 | Interface de comunicação | One-Wire / CAN 2.0 | / |
| 8 | Método de resfriamento | Resfriamento natural por ar (passivo) | 8 | Método de resfriamento | Placa fria líquida externa | Também suporta resfriamento por ar natural. |
Especificações da interface


Vantagens do produto
1. Arquitetura de Modo Duplo Verdadeira: Acionamento e Geração
Uma plataforma de hardware, dois modos operacionais distintos, concebidos para sistemas de propulsão complexos:
2. Densidade de potência e resiliência térmica incomparáveis
Projetado para as exigências rigorosas de deslocamentos em alta velocidade:
Alta capacidade de corrente: Com um pico de corrente de fase de 260A em ambos os modos, este controlador suporta picos de carga extremos sem falhas.
Opções flexíveis de refrigeração:
Padrão: Resfriamento natural otimizado por ar para designs leves e econômicos.
Atualização Pro: Interface opcional para placa de refrigeração líquida externa, que permite o fornecimento contínuo de alta potência em aplicações fechadas ou de uso intenso, evitando a limitação térmica durante subidas longas.
3. Sensoriamento de Precisão e Controle Suave
Experimente um funcionamento extremamente silencioso e uma entrega de torque suave como seda:
Suporte para dois sensores: Compatível com sensores Hall padrão para confiabilidade plug-and-play.
Compatível com encoders de alta resolução: Suporte opcional para encoders magnéticos de 5V, permitindo algoritmos FOC avançados para controle ultra suave em baixa velocidade e desempenho NVH (ruído, vibração e aspereza) superior.
4. Conectividade e personalização à prova do futuro
Comunicação avançada: O suporte nativo para os protocolos CAN 2.0 e One-Wire garante integração perfeita com BMS, painéis de controle e unidades de gerenciamento híbridas.
Design modular:
Flexibilidade do MOSFET: Selecione módulos MOSFET otimizados para equilibrar custo e eficiência para sua classe de tensão específica (48V/60V/72V).
Integração Bluetooth: O Bluetooth integrado opcional permite diagnósticos em tempo real, ajuste de parâmetros por meio de aplicativos para smartphone e atualizações de firmware OTA (Over-The-Air).
Deixe um recado
Escaneie para o WeChat :
Escaneie para o WhatsApp :